
B7210-C-2RSD-T-P4S-UL vārpstas gultnis
*Izmēri: 50x90x20 mm
*Svars: 0,469 kg
*If you wants to know more B7210-C-2RSD-T-P4S-UL bearing,email: alita@sgsabearing.com
Konkrēts parametrs tam
|
|
Displejs NO. |
B7210-C-2}RSD-T-P4S-UL |
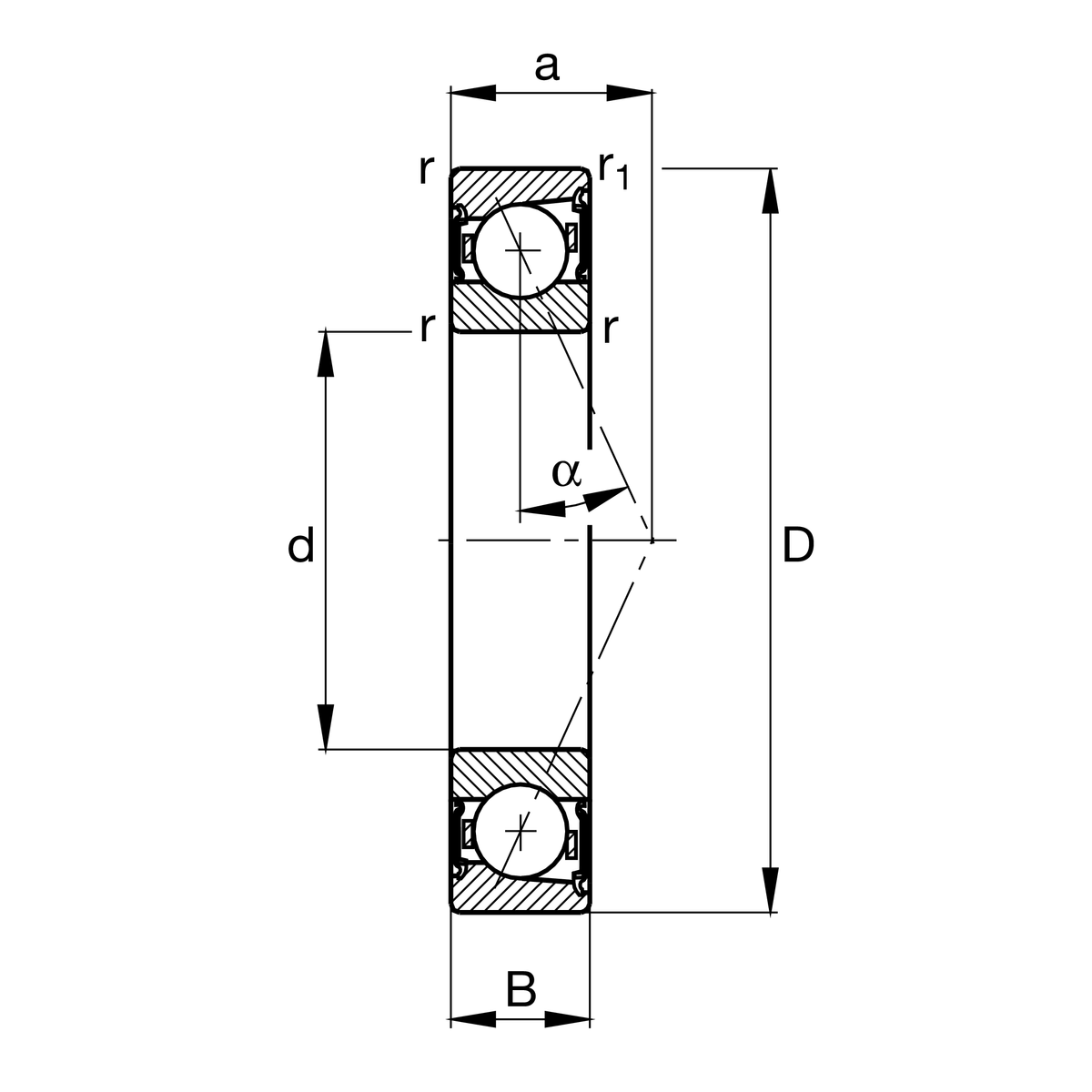
| Produktu klasifikācija | Vārpstas gultnis | |
| Iekšējais diametrs | 50 mm | |
| Ārējais diametrs | 90 mm | |
| Kopējais biezums | 20 mm | |
| Pamata dinamiskās slodzes reitings | 43 KN | |
| Pamata statiskās slodzes reitings | 22,4 KN | |
| Noguruma slodzes ierobežojums | 2370 N | |
| Ierobežojošs ātrums smērvielu eļļošanai | 16000 1/min | |
| Masa apm. | 0.469 kg |
ko nozīmē tā nosaukums
C: kontakta leņķis 15 grādi ;
2RSD : bezkontakta blīvējums no abām pusēm un ieeļļots "uz mūžu";
T: laminēta auduma būris;
P4S: pielaides klase P4S, FAG standarts labāks par P4 līdz DIN 620;
U: viens gultnis;
L: priekšslodzes gaisma
Mums ir arī unikālas priekšrocības

kas mēs esam?
SUN AUTOMATION GROUP LIMITED ir uzticams gultņu un citu transmisijas produktu piegādātājs ar vairāk nekā 30 gadu pieredzi šajā nozarē. Mūsu apņemšanās nodrošināt kvalitāti ir acīmredzama mūsu piedāvātajā plašajā produktu klāstā – no lodīšu gultņiem līdz rullīšu gultņiem, līdz transmisijas siksnām un ķēdēm.
Papildus kvalitātei mēs lepojamies ar savu izdevīgo cenu un profesionālo komandu. Mūsu ekspertu komanda ir apņēmusies sniegt izcilus pakalpojumus un palīdzēt mūsu klientiem atrast labākos risinājumus viņu īpašajām vajadzībām.
Uzņēmumā SUN AUTOMATION GROUP LIMITED mēs uzskatām, ka mūsu panākumi ir balstīti uz mūsu klientu apmierinātību. Mēs esam apņēmušies nodrošināt visaugstākā līmeņa pakalpojumus un kvalitāti, un mēs ceram uz sadarbību ar jums.
augstas kvalitātes
Izdevīga cena
Profesionāla komanda
Vienas pieturas risinājums
augstas kvalitātes
Mēs piegādājam tikai pilnīgi jaunus un kvalificētus gultņus!
uzlabotas iekārtas
Augstas kvalitātes produkti un pakalpojumi, kas atbilst jūsu vajadzībām par saprātīgām cenām, ir lieliska izvēle.
profesionāla komanda
Mūsu komandu panākumi slēpjas mūsu spējā sadarboties, pieņemt uz datiem balstītus lēmumus un nepārtraukti mācīties un pilnveidoties.
globālā kuģniecība
Mūsu globālā noliktava ir izplatīšanas centrs, kas stratēģiski atrodas reģionā, kas apkalpo vairākus tirgus un valstis, kas var nodrošināt netraucētu visaptverošu risinājumu jebkura lieluma uzņēmumiem.
Līdzīgu modeļu saraksts
|
B71900-C-2}RSD-T-P4S-UL
|
B71905-C-2}RSD-T-P4S-UL
|
B71910-C-2}RSD-T-P4S-UL
|
B71915-C-2}RSD-T-P4S-UL
|
|
B71900-CT-P4S-UL
|
B71905-CT-P4S-UL
|
B71910-CT-P4S-UL
|
B71915-CT-P4S-UL
|
|
B71900-E-2}RSD-T-P4S-UL
|
B71905-E-2RSD-T-P4S-UL
|
B71910-E-2}RSD-T-P4S-UL
|
B71915-E-2}RSD-T-P4S-UL
|
|
B71900-ET-P4S-UL
|
B71905-ET-P4S-UL
|
B71910-ET-P4S-UL
|
B71915-ET-P4S-UL
|
|
B71901-C-2RSD-T-P4S-UL
|
B71906-C-2}RSD-T-P4S-UL
|
B71911-C-2}RSD-T-P4S-UL
|
B71916-C-2RSD-T-P4S-UL
|
|
B71901-CT-P4S-UL
|
B71906-CT-P4S-UL
|
B71911-CT-P4S-UL
|
B71916-CT-P4S-UL
|
|
B71901-E-2}RSD-T-P4S-UL
|
B71906-E-2}RSD-T-P4S-UL
|
B71911-E-2}RSD-T-P4S-UL
|
B71916-E-2}RSD-T-P4S-UL
|
|
B71901-ET-P4S-UL
|
B71906-ET-P4S-UL
|
B71911-ET-P4S-UL
|
B71916-ET-P4S-UL
|
|
B71902-C-2}RSD-T-P4S-UL
|
B71907-C-2}RSD-T-P4S-UL
|
B71912-C-2RSD-T-P4S-UL
|
B71917-C-2}RSD-T-P4S-UL
|
|
B71902-CT-P4S-UL
|
B71907-CT-P4S-UL
|
B71912-CT-P4S-UL
|
B71917-CT-P4S-UL
|
|
B71902-E-2}RSD-T-P4S-UL
|
B71907-E-2}RSD-T-P4S-UL
|
B71912-E-2}RSD-T-P4S-UL
|
B71917-E-2}RSD-T-P4S-UL
|
|
B71902-ET-P4S-UL
|
B71907-ET-P4S-UL
|
B71912-ET-P4S-UL
|
B71917-ET-P4S-UL
|
|
B71903-C-2}RSD-T-P4S-UL
|
B71908-C-2}RSD-T-P4S-UL
|
B71913-C-2}RSD-T-P4S-UL
|
B71918-C-2}RSD-T-P4S-UL
|
|
B71903-CT-P4S-UL
|
B71908-CT-P4S-UL
|
B71913-CT-P4S-UL
|
B71918-CT-P4S-UL
|
|
B71903-E-2}RSD-T-P4S-UL
|
B71908-E-2}RSD-T-P4S-UL
|
B71913-E-2}RSD-T-P4S-UL
|
B71918-E-2}RSD-T-P4S-UL
|
|
B71903-ET-P4S-UL
|
B71908-ET-P4S-UL
|
B71913-ET-P4S-UL
|
B71918-ET-P4S-UL
|
|
B71904-C-2}RSD-T-P4S-UL
|
B71909-C-2}RSD-T-P4S-UL
|
B71914-C-2}RSD-T-P4S-UL
|
B71919-C-2RSD-T-P4S-UL
|
|
B71904-CT-P4S-UL
|
B71909-CT-P4S-UL
|
B71914-CT-P4S-UL
|
B71919-CT-P4S-UL
|
|
B71904-E-2}RSD-T-P4S-UL
|
B71909-E-2RSD-T-P4S-UL
|
B71914-E-2}RSD-T-P4S-UL
|
B71919-E-2}RSD-T-P4S-UL
|
|
B71904-ET-P4S-UL
|
B71909-ET-P4S-UL
|
B71914-ET-P4S-UL
|
B71919-ET-P4S-UL
|
Populāri tagi: b7210-c-2rsd-t-p4s-ul vārpstas gultnis, Ķīna b7210-c-2rsd-t-p4s-ul vārpstas gultņu ražotāji, piegādātāji
Nosūtīt pieprasījumu
